|
| Kirjoittaja |
Viesti |
|
Xaateri
|
Viestin otsikko: Jumper -96 2.5 TD äänimerkki Lähetetty: 17.09.2025 10:25 |
Viestit: 141
|
|
Mistähän Jumperin äänitorvi mahtaa sijaita. Ei auttanut sulake eikä ratin painikkeen tarkistus/liitin.
Teholampulla päältäpäin katsottuna ei kyllä löytynyt. Ei se vain ole jossain lokasuojan kätköissä?
|
|
|
|
 |
|
Xmveku
|
Viestin otsikko: Re: Jumper -96 2.5 TD äänimerkki Lähetetty: 18.09.2025 08:36 |
Viestit: 120 Paikkakunta: Lempäälä
|
|
Muistelisin, että torvi on vasemman ajovalon alapuolella. Johdot varmaankin hapettuneet...
|
|
|
|
 |
|
Xaateri
|
Viestin otsikko: Re: Jumper -96 2.5 TD äänimerkki Lähetetty: 22.09.2025 15:58 |
Viestit: 141
|
|
Kiitos vinkistä.
En kyllä saanut äänitorven näköistä silmiini. Lamppu näyttää olevan 3:lla ruuvilla kiinni. Joten onko kuljettaja puoleinen ajovalo vasemmalla vai..?
|
|
|
|
 |
|
Xmveku
|
Viestin otsikko: Re: Jumper -96 2.5 TD äänimerkki Lähetetty: 23.09.2025 09:07 |
Viestit: 120 Paikkakunta: Lempäälä
|
|
Joo, kuljettajan puoli on vasen. Tutulla oli joskus ducato josta se otti keulasta pois lamppujen alapuolella olevan pellin. En muista onko lampun alla vaakatasossa joku pelti estämässä näkymää jos ottaaa lampun pois, voihan sitä kokeilla.
|
|
|
|
 |
|
Larsanjus
|
Viestin otsikko: Re: Jumper -96 2.5 TD äänimerkki Lähetetty: 23.09.2025 11:00 |
Viestit: 123 Paikkakunta: Riihimäki
|
|
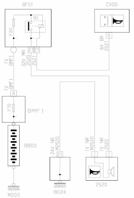
Nämä on vähän uudemman mallin kuvat, mutta vahva veikkaus on samansuuntaisesta asennuksesta vanhemmassakin. Näyttäisi olevan myös rele tuolla konehuoneen boksissa tuolle torvelle.
| Liitteet: |

2025-09-23 10_50_44rs.jpg [ 29.78 KiB | Katsottu 1331 kertaa ]
|

2025-09-23 10_50_21-.jpg [ 76.19 KiB | Katsottu 1331 kertaa ]
|
C5 163Hdi -11, C5 136Hdi -08 ja muita ranskiksia. Ex: C5 2.0 -02, C5 BlueHdi180 -16, C4 1.6Hdi -08, C4 1.6i -09
|
|
|
|
 |
|
Xaateri
|
Viestin otsikko: Re: Jumper -96 2.5 TD äänimerkki Lähetetty: 01.10.2025 15:27 |
Viestit: 141
|
|
Kiitos avusta.
Siellähän se piileskeli kuskin puoleisen ajovalon alla. Kun avustajan kanssa todettiin piipin lähettävän 12 V liittimiin, niin ostoksille. Kympillä löytyi 3A 12 V äänitorvi. Samalla tuli todistettua vanhojen liittimien oireet. Vilkkuvalo jäi ensin pimeäksi mutta kun hehku näytti ehjältä, niin WD 40 suihkaus liittimiin ja vilkkuu taas.
|
|
|
|
 |
|
|