|
| Kirjoittaja |
Viesti |
|
Cikatti
|
Viestin otsikko: Pösö 406 farkku, -97, 2.0 Lähetetty: 04.02.2015 14:07 |
Viestit: 5855 Paikkakunta: Tuusula
|
|
Hello!
Olisko Pösö-fakiireilla vinkkiä... Mulla on lainassa 406 (-97) bensafarkku ja moottorin vikavalo syttyi ja vehjes rykii ja käy huonosti. Kallistutaanko MAP-anturiin vai Lambadaan? MAP kuulemma ehjätty noin 1-2 vuotta sitten. Lisäksi näissä lienee ykkösen suutinongelmaa ja samoin puolakansi on surkea kestoltaan.
Honda Valkyrie F6C, Plymouth Fury Custom Suburban ja Pontiac Firebird Trans Am.
|
|
|
|
 |
|
Cikatti
|
Viestin otsikko: Re: Pösö 406 farkku, -97, 2.0 Lähetetty: 04.02.2015 14:55 |
Viestit: 5855 Paikkakunta: Tuusula
|
|
...Niin sama pata kuin 2.0 Xantiassa?
Honda Valkyrie F6C, Plymouth Fury Custom Suburban ja Pontiac Firebird Trans Am.
|
|
|
|
 |
|
Xari
|
Viestin otsikko: Re: Pösö 406 farkku, -97, 2.0 Lähetetty: 04.02.2015 16:10 |
Viestit: 6059 Paikkakunta: Lahti
|
|
Puolakansi vie tehot aika olemattomiin kun ei käy kuin kahdella, itsellä toimi taas kun jäähtyi, vähän aikaa.
Kunniajäsen BX 1.9 GTi A -91 1/2 BX 1.6 GTi -91
|
|
|
|
 |
|
Jankos
|
Viestin otsikko: Re: Pösö 406 farkku, -97, 2.0 Lähetetty: 04.02.2015 22:49 |
Viestit: 1230 Paikkakunta: Jokioinen
|
|
Alkaako heti vai vasta kun vähän ajettu? Tarkista onko tankissa alipainetta. Noissa aktiivihiilipöntöt menee tukkoon ja tankkiin muodostuu imusarjan alipaine. Ilmenee myös polttoainemäärän suurentumisena mittarissa.
Saxo vts v1600, Peugeot 2008 E-hdi 115 allure, Ducato 2.3jtd retkis, Ducato 180 multijet huoltoautona, Saxo TU5JP4T projekti.
|
|
|
|
 |
|
Cikatti
|
Viestin otsikko: Re: Pösö 406 farkku, -97, 2.0 Lähetetty: 05.02.2015 09:53 |
Viestit: 5855 Paikkakunta: Tuusula
|
|
Joo kyllä tuo pitää lämpimäksi käyttää että alkaa edes nypyttää josta päättelin että puolakansi olis mahdollinen mutta ok tuo hiilitankki myös... Mikäs sen muuten tukkii sen tankin?
Honda Valkyrie F6C, Plymouth Fury Custom Suburban ja Pontiac Firebird Trans Am.
|
|
|
|
 |
|
Cikatti
|
Viestin otsikko: Re: Pösö 406 farkku, -97, 2.0 Lähetetty: 05.02.2015 10:17 |
Viestit: 5855 Paikkakunta: Tuusula
|
Oho, tämä kertoo jotain aikas paljon... Hiilipöntön korvausilmaputket jää kuran ja jään peittoon ja kyllä nyt pian 20-vuotias auto tuon kohdan täyttää luonnostaan ravallakin 
| Liitteet: |

rapaa_jäätä.JPG [ 84.81 KiB | Katsottu 13960 kertaa ]
|
Honda Valkyrie F6C, Plymouth Fury Custom Suburban ja Pontiac Firebird Trans Am.
|
|
|
|
 |
|
jk_single
|
Viestin otsikko: Re: Pösö 406 farkku, -97, 2.0 Lähetetty: 05.02.2015 14:53 |
Viestit: 29
|
Ainakin Xsara Picassossa ja Pökö 307:ssa on samanlainen kuran säilytyspaikka, mitä joutuu huuhtelemaan puhtaaksi, oviaukon kautta. Varsinkin talvisin. Hyvät on sinkit PSA autoissa kun ei ole pahemmin ruosteessa, lokasuoja tai kabiinipuoli 
|
|
|
|
 |
|
jasu
|
Viestin otsikko: Re: Pösö 406 farkku, -97, 2.0 Lähetetty: 05.02.2015 15:29 |
Viestit: 3161 Paikkakunta: Korpilahti
|
Cikatti kirjoitti: Hiilipöntön korvausilmaputket  Eikös tuohon hiilipönttöön tule letkut/putket imusarjasta ja tankilta, eikä sinne mitään muita tule..? Magneettiventtiileitä toki välissä... 
Dyane 4x4 IE, Sm 2.7, Dyane IE, C8 2.2 Series -LantikanPätkä
|
|
|
|
 |
|
Cikatti
|
Viestin otsikko: Re: Pösö 406 farkku, -97, 2.0 Lähetetty: 05.02.2015 23:25 |
Viestit: 5855 Paikkakunta: Tuusula
|
|
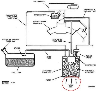
Noni! Käynnistin roinan ja annoin käydä noin 5 min, ei vikalamppuja eikä käyntiongelmia. Sammutin ja avasin bensakorkin. Imaisun soundi oli ennen kuulumaton hörppäys.
Avasin kurakaaren ja kas kuvassa on sama ilmastys kuin esimerkkikuvassa. ja kun putsasi 2 kg jäätä ja mutaa pois niin purkin avoin letku löytyi jään sisältä, kuva oikealla. Heitin 5 km lenkin liki tankki täynnä ilman ongelmia ja katsotaan huomenna kertyykö alipainetta enää tankkiin. Ei tuolla edellipäivänä vedetty viittä kilsaa kun alkoi putputtaa.
Eli ei se nyt voi olla ok että tuo kuvassa oikealla oleva putki charcoal tankin alla on tukittu.
| Liitteet: |

Pögö.JPG [ 53.18 KiB | Katsottu 13749 kertaa ]
|
Honda Valkyrie F6C, Plymouth Fury Custom Suburban ja Pontiac Firebird Trans Am.
|
|
|
|
 |
|
Cikatti
|
Viestin otsikko: Re: Pösö 406 farkku, -97, 2.0 Lähetetty: 06.02.2015 09:52 |
Viestit: 5855 Paikkakunta: Tuusula
|
|
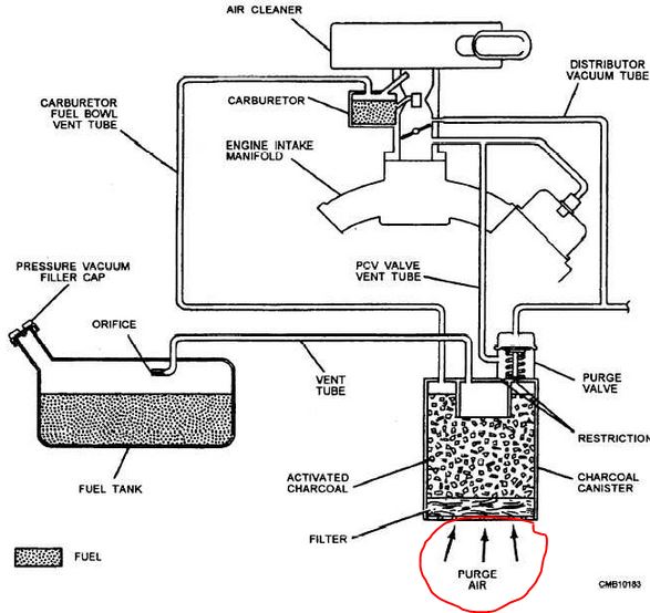
Elikkäs, ymmärtäisin että jos tuo pöntön alla oleva putki on jää/mutapalikan sisällä niin mm kun tulee tilanne että tankissa paine alkaa kasvaa lämpötilan noustessa, esim kun ajaa pakkasesta talliin niin tämä hiilitankki juurikin suodattaa ylimääräisen ilman hiilen läpi ulkoilmaan niin että bensahöyrät jäävät hiileen. Toisin päin homma toimii niin että kun autolla ajetaan niin tankkiin pitää tulla korvausilmaa polttoainee vajetessa ja käsittääkseni se korvausilma ei tule kuin tuon purkin alla olevasta letkusta. Sama asia esitetään tuossa oheisessa kaaviokuvassa kohdassa purge air pöntön alla.
| Liitteet: |

purge_air.JPG [ 62.24 KiB | Katsottu 13653 kertaa ]
|
Honda Valkyrie F6C, Plymouth Fury Custom Suburban ja Pontiac Firebird Trans Am.
|
|
|
|
 |
|
Jankos
|
Viestin otsikko: Re: Pösö 406 farkku, -97, 2.0 Lähetetty: 11.02.2015 11:16 |
Viestit: 1230 Paikkakunta: Jokioinen
|
Ai niin tännekin vastasin. Ihan oikein cikatti arvioit tuon toiminnan, kaikki huohotus tulee tuon pöntön kautta vapaaseen ilmaan. Ja kun kone käy niin sieltä kautta imetään ilmaa imusarjaan että se bensahuuru putsaantuisi pöntöstä pois ja sitten kun se on noin tukossa niin tietäähän sen mitä tapahtuu  Vastaavan vian kanssa ihmettelin syksyllä, ja oli muuten myös tummanvihreä 406 farkku. Värikö sen tukkii 
Saxo vts v1600, Peugeot 2008 E-hdi 115 allure, Ducato 2.3jtd retkis, Ducato 180 multijet huoltoautona, Saxo TU5JP4T projekti.
|
|
|
|
 |
|
jasu
|
Viestin otsikko: Re: Pösö 406 farkku, -97, 2.0 Lähetetty: 11.02.2015 13:07 |
Viestit: 3161 Paikkakunta: Korpilahti
|
Tulikin uutta tietoa noihin hiilikannuihin liittyen. Ne mitä on tullu aiemmin vastaan, ovat olleet ihan umpinaisia pönttöjä pelkillä letkuliitännöillä, toki aika paljon vanhempia kuin tässä mainittu... Aina oppii uutta, vielä kun päähän jäisi puoletkin uusista asioista niin hyvin menisi... 
Dyane 4x4 IE, Sm 2.7, Dyane IE, C8 2.2 Series -LantikanPätkä
|
|
|
|
 |
|
|